由于人們對數字形式信息的需求量越來越大,數據通信及其應用技術受到越來越廣泛的關注和應用。隨著技術的發展。USB通信正向高速、方便快捷、穩定可靠的方向發展。目前,大多數USB設備都是需要與PC機相連進行通信,而USB設備之間的通信則無法實現。而對于一些處在特殊環境下的稱重設備的數據傳輸和系統升級,PC機很不方便實現,因此迫切要求開發出能夠識別USB設備的主機端口。這樣使用U盤等設備就能實現數據傳輸。本系統設計在AT91SAM7X256控制器的基礎上,增加了主機端口,適用于工礦企業中稱重設備的數據更新和系統升級。
1 系統整體方案
USB(Universal Serial Bus)即通用串行總線,提供一種兼容不同速度的、可擴充的,使用方便的外圍設備接口,同時也是為解決計算機接口太多等問題而設計的。在嵌入式系統中如果處理器集成了OHCI標準的USB主機控制器,則直接就可以引出USB主控端口:而對于沒有集成的處理器,則需要使用USB主控器件,從總線上擴展USB主機接口。很多IC制造商都提供這種主控器件,如Scanlogic公司的SL811HS/T等。在編寫USB設備驅動程序設計時,可以分為3部分編寫:主機端設備驅動程序、主機控制器驅動程序設計和設備端驅動程序。對于一些不具備USB主機端口的設備,為了實現通信的方便、快捷性,如與U盤直接通信等設備是完全有必要在原來設備的基礎上擴展USB主機端口。

該系統硬件設計是由電源、復位、時鐘電路、以太網口、USB主機和設備端口以及串口組成,其結構框圖如圖1所示。其中,以太網口用于將設備接入網絡實行遠程管理和監控。將設備的數據接入Internet,實現遠程監控,適用于工礦企業設備的集中化管理和維護。USB主機端口通過主機控制器SL811HS/T與控制器AT9lSAM7X256相連,進行數據通信。USB設備端口作為與PC機通信的接口。該系統設計的創新在于該設備拋開了PC機,既可作為主機,也可作為外設,并與其他0TG設備直接實現點對點通信。
2 硬件電路設計
USB主機與設備之間的通信最終都是通過USB主機控制器和USB設備的總線接口間的電纜實現的,任何一個輸出請求都是由主機控制器組成包的形式發往總線的。USB,總線中只有一個主機,它是USB樹形結構的根,通過一個根HUB提供一個或多個連接點,由其連接各個USB設備。
2.1 核心器件選型
該系統設計選用Scanlogic公司的SL811HS/T作為USB主機接口器件,該器件是既能用作Host模式又能用作Slave模式的,具有標準微處理器總線接口USB控制器,適用于非PC設備在Host模式下,它支持嵌入式主機與USB外圍設備的通信,在Slave模式下,可作為主機的一個外設。SL811HS具有以下特點:是遵循USBl.1協議的嵌入式USB Host/Slave器件;提供8 bit寬數據總線及中斷支持,方便與微處理器、微控制器連接;通過硬件設置或軟件設置,工作在Host或Slave模式;自動探測所接設備是低速設備還是高速設備:8 bit雙向數據總線;片上SI-E、USB收發器;軟件控制下運行為單個USB主或從設備主機或從設備模式有1.5 Mb/s的低速,12 Mb/s的全速,自動識別低速和全速設備8位雙向數據,工作于12 MHz或48 MHz晶振或振蕩器。
微處理器是系統核心,其性能直接決定該系統設計的準確性,穩定性和可靠性。基于本系統對精度和實時性的要求。選用ATMEL公司的AT9lSAM7X256單片機。它具有以下特點:1)內部集成ARM7TDMI ARM Thumb處理器,支持嵌入式ICE內電路仿真以及調試通信接口:2)復位控制器(RSTC),基于上電復位單元,提供外部信號整形和復位源狀態;3)時鐘發生器(CKGR),低功耗RC振蕩器,3~20 MHz片上振蕩器和1個PLL;4)電源管理控制器(PMC),具有電源優化功能,包括慢速時鐘模式(低于500 Hz)和空閑模式,4個可編程外部時鐘信號;5)USB2.0全速(每秒12Mbit)設備接口,具有片上收發器,大小為1 352字節的可配置成FIF0;6)10/100base-T(Mb/s)的以太網口;7)提供片上1.8 V穩壓器,
為內核及外部組件提供高達100 mA的電流,3.3 V VDDIO提供I/O線電源,獨立的3.3 V VDDFLASH提供Flash電源,具有掉電檢測的1.8 V VDDCORE提供內核電源。
2.2 AT91SAM7X256的USB設備端口設計
AT91SAM7X256的USB設備端口原理圖,如圖2所示。由于AT91SAM7X256支持USB2.0全速(每秒12 Mbit)設備接口,故AT91SAM7X256的2個引腳DDM和DDP與外界USB相連,直接實現USB設備端口。

由USB接口輸入5 V直流電源,二極管VD1用于限制電源的導通方向,經過C18、C19濾波,然后經過SPXll7M-3.3將電源穩壓至3.3 V。為了降低噪聲和出錯率,應隔離模擬電源與數字電源,圖3中的L1和L2用于電源隔離元件(將數字電源的高頻噪聲隔離)。SPXll7M-3.3是Sipex公司的LDO器件,其特點為輸出電流大,輸出電壓精度高穩定性高。SPXll7M系列LD0器件輸出電流可達800 mA,具有電流保護和熱保護功能,可廣泛應用于數字家電和工業控制等領域。

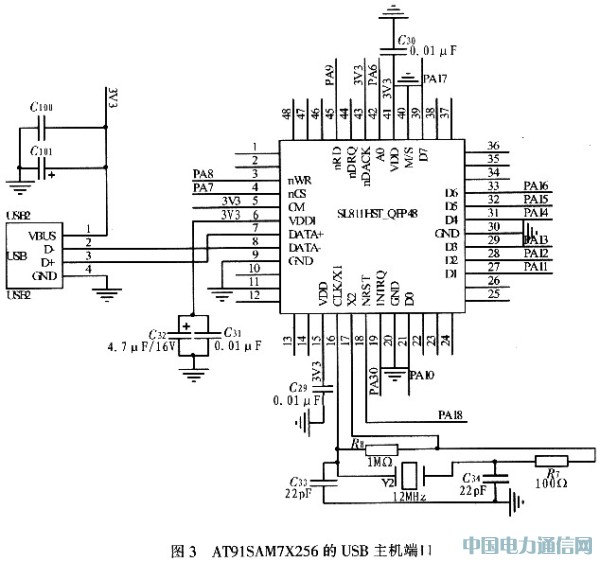
2.3 USB主機端口設計
AT91SAM7X256的USB主機端口原理圖,如圖3所示。SL811HS/T選用48引腳的TQFP封裝形式,SL811HS/T既能用作Host模式又能用作Slave模式。將SL811HS/T的M/S引腳接地,即設為低電平信號(M/S=0),選擇作為主機端口。