測距技術在物位檢測、醫療探傷、汽車防撞等民用、工業領域應用廣泛,由于超聲波的速度相對于光速要小的多,其傳播時間就比較容易檢測,并且易于定向發射,方向性好,發射強度好控制,且不受電磁干擾影響,因而利用超聲波測距是一種有效的非接觸式測距方法。但超聲波在不同環境溫度下傳播速度不同,如忽略溫度影響,將影響最終測量精度。本文介紹的超聲波測距儀采用渡越時間檢測法,使用了DS1 8B20溫度傳感器對現場溫度進行檢測,并通過軟件計算實現波速的溫度補償,消除了溫度對測量結果的影響,使測量誤差降低。
1 系統工作原理
超聲波測距原理如圖1所示。

圖1 超聲波測距原理

式中c--超聲波波速:t--從發射出超聲波到接收到回波所用時間。
限制該系統的最大可測距離存在4個因素:超聲波的幅度、反射的質地、反射和入射聲波之間的夾角以及接收換能器的靈敏度。接收換能器對聲波脈沖的直接接收能力將決定最小的可測距離。為了增加所測量的覆蓋范圍、減小測量誤差,可采用多個超聲波換能器分別作為多路超聲波發射/接收的設計方法。
由于超聲波屬于聲波范圍,其波速c與溫度有關,經過測量得出超聲波的波速與溫度的關系,如表1所示。
表1 聲速與溫度的關系表

將測量的速度數據與溫度數據進行一階擬合得出:
c=331.6+0.6107xT (2)
式中T--當地溫度。
在測距時,可通過溫度傳感器自動探測環境溫度、確定其時的波速c.波速確定后,只要測得超聲波往返的時間t,即可求得距離H,這樣能較精確地得出該環境下超聲波經過的路程,提高了測量精確度。
本設計方案中使用渡越時間檢測法,測距儀工作原理為:在由單片機發出驅動信號的同時,開啟單片機中的計時器,開始計時。發射探頭發射出超聲波,在由接收探頭接收到第一回波的同時停止單片機計時器的計時,由于超聲波在空氣中的速度已知,根據公式即可求得探頭與待測目標之間的距離。而且,可以在較短時間內多次發出超聲波測量,完成后計算平均值然后顯示。
超聲波在相同的傳播媒體里(大氣條件)傳播速度相同,即在相當大的頻率范圍內聲速不隨頻率變化,但其頻率越高,衰減得越厲害,傳播的距離也越短。考慮實際工程測量要求,在設計超聲波測距儀時,選用頻率f=40kHz的超聲波,波長為0.85cm.
2 系統硬件設計
本系統采用AT89C52單片機作為主控制器,使用3位數碼管作為系統顯示屏,超聲波發射驅動需要的40 kHz脈沖由單片機P0.0發出,使用定時器進行計時和控制,超聲波接收使用CX20106A作為接收主控芯片,使用DS18B20作為溫度傳感器進行溫度校正。超聲波測距器的系統原理圖如圖2所示。

圖2 系統設計原理圖
2.1 超聲波的發射電路設計
超聲波發送模塊是由超聲波發射探頭組成的,單片機的P0.0端口直接發送40 kHz的信號,使用9012三極管做為驅動放大,驅動壓電晶片超聲波換能器產生超聲波,超聲波發射電路如圖3所示。超聲波發射子程序的流程是,發射時首先裝填計時器,并且開始計時,當超聲波發射完畢時,定時器計時完畢,并且重新裝填等待下次發射。

圖3 超聲波發射電路
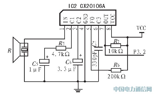
2.2 超聲波接收電路設計
在接收電路中使用了紅外線接收處理芯片CX20106A,因為它處理的是38 kHz的紅外信號,而40 kHz的超聲波信號和它比較接近,并且CX20106A芯片具有很強的抗干擾能力,這個芯片的外圍電路很簡單而且通過外圍電阻調節它的中心處理頻率,通過改變外圍電路電容的大小也可以改變接收電路靈敏度和抗干擾能力。
經過試驗后發現用單片機發40 kHz信號與使用CX20106A的電路搭配更加簡單合理,使得時間的計算更為精確。
該系統的超聲波接收模塊是由超聲波接收探頭和紅外線接收處理芯片CX20106A組成。如圖4所示。超聲波接收子程序的流程是,利用INT0中斷檢測回波信號,若有回波信號(INT0口低電平)就關閉外部中斷,同時停止計時器的計時,將測距成功標志位標記為1(測距成功),同時提取時間值,計算待測距離,保存最終結果后打開外部中斷,等待下次測量。

圖4 超聲波接收電路
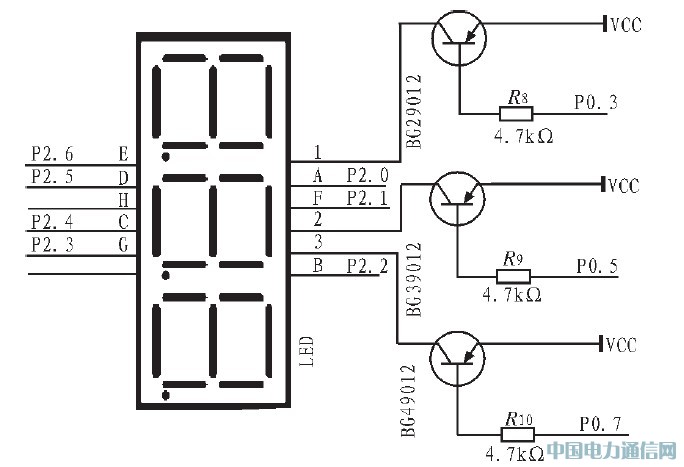
2.3 超聲波測距顯示電路
在顯示模塊選擇時有兩種,一種是用液晶顯示屏,其具有輕薄短小,分辨率高,可顯示漢字等各種符號的優點。但一般需要利用控制芯片創建字符庫,編程工作量大;一種則是選用數碼管,數碼管具有低電耗、壽命長、易于維護的特點,同時精度比較高,稱量快,精確可靠,編程容易,操作簡單。缺點是不能實現漢字及多數據多行顯示。綜合考慮本次設計中選擇了3位數碼管顯示。用PNP型三極管驅動數碼管,并連接到單片機AT89C52的P0口上作位選。雖然顯示上沒有液晶顯示屏那么完全,但是也能夠完整直觀地顯示出需要的結果。圖5為超聲波測距硬件設計的顯示電路。

圖5 超聲波測距顯示電路
2.4 溫度補償電路設計
本系統中,選擇使用溫度芯片DS18B20作為溫度傳感器。DS18B20支持"一線總線"接口,測量溫度范圍為-55~125℃,在-10~85℃范圍內,精度為±0.5℃。現場溫度直接以"一線總線"的數字方式傳輸,大大提高了系統的抗干擾性。適合于惡劣環境的現場溫度測量。DS18B20引腳說明如表2所示。
表2 DS18B20引腳說明

DS18B20是在一根I/O線上讀寫數據,因此,對讀寫的數據位有著嚴格的時序要求。DS18B20有嚴格的通信協議來保證各位數據傳輸的正確性和完整性。該協議定義了幾種信號的時序:初始化時序、讀時序、寫時序。
溫度補償電路的設計如圖6所示,數據輸入/輸出腳連接到單片機的P0.1腳,電源接口接入+5 V的電壓,外加5.6 kΩ的上拉電阻,因為DS18B20是單總線溫度傳感器,數據線是漏極開路,如果DS18B20沒接電源,則需要數據線強上拉,給DS18B20供電;如果DS18B20接有電源,則需要一個上拉即可穩定的工作。由于DS18B20在使用中不需要任何外圍元件,全部傳感元件及轉換電路集成在形如一只三極管的集成電路內,檢測的溫度值在內部進行轉換,溫度測量結果直接以數字信號輸出,單片機對由DS18B20輸出的信號進行讀取,經過軟件對溫度數字值實現處理。

圖6 溫度補償電路
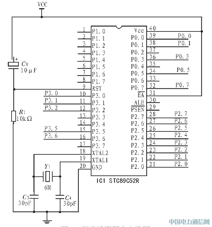
2.5 主電路原理圖
該系統主電路原理圖如圖7所示,單片機采用89C52系列,單片機使用外部時鐘源,外接6MHZ的晶振,由P0.0口直接輸出40 KHZ的驅動信號給放大電路。接收到回波后,經由CX20106的濾波,產生中斷信號,并由p3.2口輸出進行中斷。顯示電路采用簡單實用的3位數碼管,連接單片機AT89C52的P0口,而三極管連接P2口,作數碼管的位選。工作時,首先將系統初始化,啟動計時器。并由P0.0腳發出40KHZ的驅動信號,同時打開INT0中斷,并且開始等待接收到的回波和中斷信號,若接收到回波(單片機接收到中斷信號),計時器停止計時,保存時間信息,并且根據溫度補償計算出當前環境下的聲速,計算出當前待測距離后儲存,并調用顯示子程序。測出距離后結果將以十進制BCD碼方式傳送到LED顯示,然后再發超聲波脈沖重復測量過程。

圖7 超聲波測距主電路圖
3 結論
經過實測,本測距儀能夠迅速的測出250 m以內的短距離障礙物,在30-200 cm范圍內,誤差能控制在1 cm以內,本設計具有簡單實用,能耗低,成本低等特點。經過實際測試,發現系統的精度能滿足普通需求,若需要進一步提高精度,可采用精度更高但系統更加復雜的雙頻超聲波測距的方法。