數字預失真(DPD)是目前無線通信系統中最基本的構建塊之一。其用于提高功率放大器的效率。通過減少功率放大器在其非線性區運行時產生的失真,功率放大器的效率可得到大幅提升。
不使用 CFR 或 DPD 算法的無線基站通常效率較低,因此運營和資金設備成本也較高。一個輸出 WCDMA 波形的典型 AB 類 LDMOS 功率放大器的效率約為 15-20%。利用 CFR 和 DPD 算法,效率可提升至 40%,從而大幅降低網絡運營商的資本支出和運營支出。
據悉,Xilinx新系列功率放大器設計采用 Doherty 架構以及 Xilinx DPD 內核,效率可提升至 50% 以上的水平。
本文通參考MATLAB的RF仿真工具,展示如何在發射機中使用數字預失真(DPD)來抵消功率放大器中非線性的影響。我們使用Power Amplifier Characterization 的模型,得到功率放大器特性的例子來模擬兩種情況。在第一個仿真中,射頻發射機發送雙音信號。在第二個仿真中,射頻發射機發送一個類似5G的OFDM波形,帶寬為100 MHz。
一、兩正弦波信號測試DPD
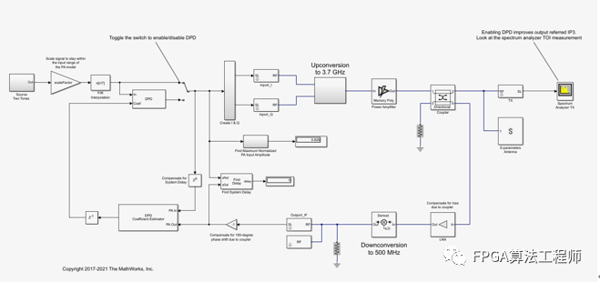
Simulink RF Blockset模型: System-level model PA + DPD with two tones.
該模型包括一個雙音信號發生器,用于測試系統的輸出參考的三階截距點。該模型包括使用I-Q調制器的射頻上變頻、PA模型、用于探測PA輸出的耦合器和代表天線負載效應的s參數塊。接收鏈進行下變頻到低中頻。注意,本系統的仿真帶寬為107.52 MHz。
當撥動開關處于向上位置時,可以不使用DPD對模型進行仿真。仿真模型如下圖所示。

圖1 System-level model PA + DPD with two tones模型

圖2 雙音頻譜圖
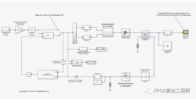
手動開關處于開啟狀態,使能DPD算法。切換時,TOI(三階截距點)得到顯著改善。檢查頻譜分析儀中的失真測量,以驗證這些結果,得益于DPD線性化,諧波的功率降低。

圖3 開啟DPD算法

圖4 開啟DPD后雙音頻譜圖
在雙音信號進入DPD塊或功率放大器之前,它經過一個FIR插值器,在PA表征中使用相同的FIR插值器。這是必要的,因為功率放大器的模型是插值后的采樣率,而不是雙音信號的原始采樣率,而且為了建模功率放大器引入的高階非線性,需要對信號進行過采樣。
所需幅度增益的DPD系數估計量是基于預期獲得的功率放大器(PA期間獲得表征),因為除了線性化,總體目標是使得DPD功率放大器的輸入輸出的聯合增益盡可能接近預期的增益。為了正確估計DPD系數,DPD系數估計模塊的輸入信號PA In和PA Out必須在時域內對齊。通過查找延遲模塊驗證了這一點,該模塊顯示射頻系統引入的延遲為0。此外,PA In和PA Out必須是功率放大器輸入信號和輸出信號的精確基帶表示,即沒有額外的增益或相移。否則,DPD系數估計模塊將不能正確地觀察功率放大器,也不會產生正確的DPD系數。這是通過確保上變頻和下變頻步驟都有一個增益為1,反饋信號到達PA Out之前,耦合器對損耗和相移做適當補償。
在FIR插值器前的縮放因子的目的是幫助有效地利用線性化的功率放大器。即使啟用了DPD,也可能出現兩種不希望出現的情況。雙音信號相對于線性化系統的輸入范圍可能非常小,因此沒有充分利用線性化系統的放大能力。或者雙音信號可能太大,以致于功率放大器模型工作在PA表征期間觀察到的范圍之外,因此功率放大器模型可能不是物理設備的精確模型。我們使用以下啟發式方法來設置縮放因子。
假設DPD將功率放大器完全線性化以達到預期的幅度增益,那么DPD允許的最大輸入幅值應該是PA表征過程中觀察到的最大功率放大器輸出幅度除以預期的幅度增益。DPD前的縮放因子應該是DPD允許的最大輸入幅度除以PA表征過程中觀察到的插值信號的最大幅度。
該系統模型有一個計算最大歸一化PA輸入幅值的模塊。如果它等于1,則表示進入射頻系統的基帶信號的最大振幅等于PA表征過程中觀察到的最大PA輸入振幅。因此,如果歸一化PA輸入幅值的最大值小于1,則可以增加上述啟發式方法設置的縮放因子。如果最大歸一化PA輸入幅值大于1,則應減小縮放因子。
通過改變DPD系數估計塊中定義的度和內存深度,可以在性能和實現成本之間找到最合適的折衷。
二、帶有類似5G OFDM 波形的DPD
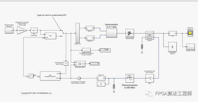
Simulink RF塊集模型:System-level model PA + DPD with a 5G-like OFDM waveform
該Simulink模型的結構與之前的Simulink模型相同。被放大的信號現在是類似于5G的OFDM波形,而不是雙音信號。頻譜分析儀測量的是ACPR而不是TOI,并增加了一個子系統來測量放大后的OFDM波形的EVM和MER。

圖5 System-level model PA + DPD with a 5G-like OFDM waveform模型
在沒有DPD線性化的情況下,系統的平均MER為24.4 dB,從星座圖測量結果可以看出。

圖6 星座圖

圖7 頻譜圖
手動開關處于開啟狀態,使能DPD算法。當被切換時,平均的MER顯著提高。星座圖也更聚集在模板上,有利于接收端解調。

圖8 開啟DPD后的星座圖
這里,MER是一個測量值,叫做調制誤差率。MER是理想符號矢量幅度的平方和除以符號誤差矢量幅度的平方和,用dB表示。MER反映數字信號質量,MER往往作為接收機對傳送信號能夠正確解碼的早期指示。事實上,MER是用來比較接收符號(用來代表調制過程中的一個數字值)的實際位置與其理想位置的差值。當信號逐漸變差時,被接收符號的實際位置離其理想位置愈來愈遠,這時測得的MER數值也會漸漸減小。一直到最后,該符號不能被正確解碼,誤碼率上升,這時就處于門限狀態即崩潰點。
可以想象,隨著5G使用256QAM調制,如果星座圖不夠好,信噪比不夠高,在高階調制下,很難成功解碼,高吞吐率就上不去,進而失去5G的高數據速率優勢。因此,DPD在5G中得到應用,也是必然。
在利用FPGA實現DPD時,可基于LUT進行設計。那么,怎樣才能實現呢?系數估計器又該怎么去設計呢?這就需要各位研發工程師付出努力了。